
咨詢熱線
0537-3657638
服務熱線
15376565688
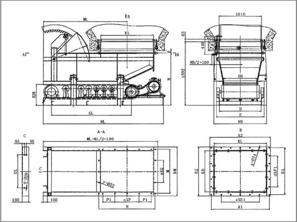
扇形閥門帶式(甲帶)給料機的檢修閘門改為扇形閘門,用手動、電動、液動或氣動驅動齒輪帶動弧型齒條來開啟或關閉扇型閘門。扇形閥門帶式(甲帶)給料機具有閘門控制方便、故障率低、易實現自動化等優點并且扇形閥門帶式(甲帶)給料機的承載能力較強、噪音低、整機使用壽命長.
用手動、電動、液動或氣動驅動齒輪帶動弧型齒條來開啟或關閉扇型閘門
1、在膠帶內側及改向滾筒外側增加了清掃器,對粘附于甲帶上的物料進行清掃,阻止物料散落于機體下,便于甲帶順利運行,保持了現場的清潔環境。
2、配置了自動化系統可以與礦方通信系統聯網,實現自動化遠程控制。
3、開發運用了新型的液壓閘門。
給料機可整體安裝,也可分體安裝。整體安裝時,先將連接段安裝于倉料口,再將給料機整體吊裝與連接段用螺栓連接。對于外連接式連接段,也可先將連接段與給料機連接,再整體吊裝與料倉口連接。分體安裝時,先將連接段安裝在料倉口,再安裝可拆分的導料槽,然后安裝底架等其他部件。
1、懸掛式:為了維修方便,推薦采用懸掛式。采用懸掛式時,連接段本身可以作為受料端的懸掛結構,要求現場預埋卸料端懸掛鋼板或吊環。卸料口上部的角鋼可以承受懸掛力,現場應把懸掛槽鋼、角鋼或其他結構和此角鋼焊接或用螺栓連接在一起。
2、支撐式:用戶可以從給料機的下面支撐,給料機底部的兩件20#的槽鋼可以承重,用戶在下面裝設的的支撐件和此槽鋼可以用聯接件聯接,也可以焊接。
點擊下載全部文件:https://pan.baidu.com/s/1UtAgJmugPhu2H9fNNJ1jHQ